Concept
For our interactive media sound project, my partner, Joy Zheng, and I decided to create a simple yet expressive instrument with a few sensors and a buzzer on Arduino Uno. We wanted to build something that was intuitive to play and produced a unique, percussive sound. The result is this force-sensitive drum. Tapping different pads creates different notes, and a toggle switch shifts the entire instrument into a higher-pitched mode.
Our initial idea was inspired by the force sensors used in class to control sound. We thought, what if we could use multiple sensors to combine frequencies and create rhythms? We brainstormed a few possibilities. Could we assign different chords to each sensor, where pressing harder makes a certain chord more prominent? Or could the sensors act as modifiers for a continuous track?
We settled on a more direct approach for a playable instrument. We decided to have three Force Sensitive Resistors (FSRs) that would each trigger a distinct note, like pads on a drum machine. To meet the project requirements and add another layer of interactivity, we incorporated a digital two-way switch. Flipping this switch would transpose the notes of all three pads to a higher octave, giving the player two different sound palettes to work with.
Arduino Build
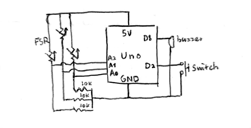
The build was straightforward, centered around an Arduino Uno and a breadboard.
Components Used:
-
1x Arduino Uno
-
1x Breadboard
-
3x Force Sensitive Resistors (FSRs), our analog sensors
-
1x Two-way toggle switch, our digital sensor
-
1x Piezo Buzzer
-
Resistors (for the FSRs and switch)
-
Jumper wires and Alligator clips
Each of the three FSRs was connected to a separate analog input pin on the Arduino. This allows the Arduino to read a range of values based on how much pressure is applied. The toggle switch was connected to a digital pin to give us a simple ON/OFF (or in our case, Mode 1/Mode 2) reading. Finally, the piezo buzzer was connected to a digital pin capable of PWM (Pulse Width Modulation) to produce the tones.
The Arduino code continuously checks the state of our mode switch and reads the pressure on each of the three force sensors. If a sensor is pressed hard enough to cross a defined hitThreshold, it calls a function to play a corresponding sound.
To simulate it more as a drum effect, we made this for loop to create this pitch decay effect:
// drum pitch decay effect
for (int f = baseFreq + 40; f > baseFreq; f -= 5) {
tone(buzzer, f);
delay(10);
}
Challenges and Improvement
There was evolution of our instrument. We started with a basic concept (v0.1) and then refined it by adjusting the frequency gaps between the sensors for a more distinct and musical sound (v1.0a). Finally, we tweaked the delay to give it a more responsive and percussive, drum-like feel (v1.0b).
Our biggest physical challenge was the alligator clips. It was indeed a handy tool to create a prototype, but their exposed metal heads made it very easy to accidentally create a short circuit if they touched. We learned to be meticulous about checking that the rubber insulators were covering the clips properly before powering on the Arduino.
On the software side, getting the sound right was an iterative process. First, we spend time exploring the pitch gaps. Initially, the pitches were too close together and didn’t sound very musical. By trial and error, we adjusted the base frequencies to create a more noticeable and pleasant musical gap between the pads. Second, rhythm and feel in hand needed to match a those of a “drum machine”. We played with the delay() value in the main loop. A shorter delay made the instrument feel much more responsive and rhythmic.
If we were to continue this project, we could add more sensors for a full octave, or perhaps use the analog pressure value to control the volume (amplitude) of the note in addition to triggering it. It would also be interesting to experiment with different waveforms or sound profiles beyond the simple tones.

