Inspiration
The xylophone has always fascinated me. I loved watching the vibrant melodies come to life as each bar was tapped. This inspired me to create a digital version using everyday materials, giving the classic xylophone a modern, interactive twist.
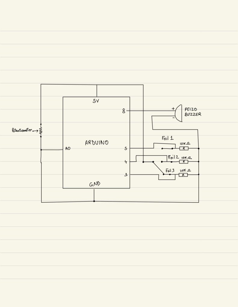
Concept
The idea was simple yet playful: use Aluminum foil as the xylophone buttons. Each strip of foil represents a note, and tapping on it triggers a sound. To bring in the concept of tuning (something I deeply appreciate from my experience playing the violin) we incorporated a potentiometer. This allows the user to adjust the pitch of each note in real-time, just as a musician tunes their instrument before performing. By combining tactile interaction with the flexibility of pitch control, we aimed to create an instrument that feels both familiar and innovative.
Code I’m Most Proud Of
int potVal = analogRead(potPin);
float multiplier = map(potVal, 0, 1023, 60, 180) / 100.0;
if (activeIndex >= 0) {
int freq = int(baseFreqs[activeIndex] * multiplier);
freq = constrain(freq, 100, 5000);
tone(buzzerPin, freq);
delay(50);
} else {
noTone(buzzerPin);
}
What makes this snippet special is how it turns a simple analog input into musical expression. By mapping the potentiometer to a frequency multiplier, each foil strip produces a different tone that can be adjusted on the fly. Using constrain() ensures the sounds remain within a safe, audible range. It was rewarding to see how these functions, which we learned in class, could be combined to create a tactile, musical experience.
Future Improvements
Right now, the instrument plays a sound as long as the foil is touched. In the future, I’d like to add note duration control so that pressing a strip produces a single tone, similar to how a piano note behaves, with a possible fade-out effect when the note ends. This would make the interaction feel more natural and musical.
Another exciting improvement could be a wireless “stick” that triggers the foil strips remotely. This would allow the musician to move freely and perform more expressively, opening up new possibilities for live interaction and playability.
